Krátký úvod
|
Přesnost: |
±1.0% |
Velikost potrubí: |
1 "~ 48" (25 ~ 1200 mm) |
|
|
Výstup: |
OCT, Relay RS485, 4-20 ma, rtd |
IP hodnocení: |
IP68 převodník |
|
|
Teplota: |
32 stupňů f až 176 stupňů f (0 stupeň ~ 80 stupňů) |
|||
Úvod produktu
Ultrazvukový průtok D116 (HD verze) je vysoce efektivní nástroj přizpůsobený pro údržbu hotelů a správu zařízení . navržený s pokročilou technologií tranzitního času, poskytuje přesná a spolehlivá měření toku vody, nezbytné pro monitorování a optimalizaci využití vody v hotelech .
S funkcemi, jako je denní, měsíční a roční totalizace toku, mohou personál údržby snadno sledovat trendy spotřeby vody a správa zdrojů . jeho uživatelsky přívětivé rozhraní a více možností výstupu (OCT Pulse, 4-20 MA, relay, RS485 Modbus) usnadňují bezproblémovou integraci s existujícími systémy .} {{{}}} . . . {{4}.
Aplikace produktu

● Měření energie v hotelu, měření energie chlazení
● Průmysl chlazení kapalin, efektivní chlazení, kontrola teploty, úspora energie
● Řízení vody a odpadních vod
● Systémy HVAC (vytápění, ventilace a klimatizace)
● Process Industries (chemické, farmaceutické, potraviny a nápoje)
● Management energie a monitorování životního prostředí
● Systémy zemědělství a zavlažování
● Výzkum a vývoj
● Řízení zařízení
● Průmyslová údržba a odstraňování problémů
● Uhlíková stopa, audit uhlíku, hodnocení uhlíku, neutralita uhlíku a obchodování s uhlíkem atd. .
Parametr produktu
1)Technické parametry
|
Index výkonu |
|
|
Rozsah toku |
0,03 ~ 16 ft/s (0,01 ~ 5,0 m/s) |
|
Přesnost |
Přesnost toku: ± 1% (standardní stav 0,5 ~ 5 m/s) Přesnost energie: ± 2% |
|
Tekutina |
Voda (chlazená voda, čistá voda, čistá voda, mořská voda, horká voda atd. .) |
|
Velikost potrubí |
Upínací typ: 25 mm až 1 200 mm (1 "až 48") |
|
Trubkový materiál |
Nerezová ocel, uhlíková ocel, měď, PVC |
|
Funkční index |
|
|
Komunikační rozhraní |
RS485 Modbus |
|
Výstup |
Analogový výstup: 4 ~ 20 mA, (maximální zátěž 750Ω) Pulse Output: 0 ~ 9999 Hz, OCT (min . a max . Frekvence je nastavitelná) Výstup relé: max . Frekvence 1Hz (1A@125VAC nebo 2A@30VDC) |
|
Vstupní rozhraní |
2*Pt1 0 00 rozhraní, třívodičový systém; 0 ~ 100 stupňů (32-212 ℉) |
|
Napájení |
10 ~ 36VDC/1A . |
|
Klávesnice |
16 (4 × 4) Key s taktilní akcí . |
|
Obrazovka displeje |
20 × 2 Lattice Alfanumeric, Back Lit Lcd . |
|
Vlhkost |
Až 99% RH, nekondenzing . |
|
Teplota |
Vysílač: 14 stupňů f až 122 stupňů F (–10 stupňů ~ 50 stupňů) Převodník: 32 stupňů f až 176 stupňů F (0 stupeň ~ 80 stupňů) |
|
IP hodnocení |
IP65 |
|
Fyzické vlastnosti |
|
|
Vysílač |
PC/ABS, IP65 |
|
Převodník |
Enkapsulovaný design, IP68 |
|
Kabel |
Standardní délka kabelu: 30 stop (9m) Maximální prodloužení na 1000 stop (305 m) |
|
Hmotnost |
Vysílač: přibližně 0,6 kg Převodník: přibližně 0,8 kg |
2)Parametry těla

Vysílač

Převodník CP037

PT1000 teplota senor
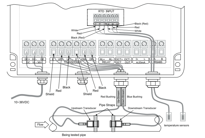
Zapojení vysílače

3)Vzhled


4) Kompatibilní materiály potrubí

5) Detekovatelné tekutiny

Kvalifikace produktu:
Již více než tři desetiletí je Gentos v popředí výroby špičkových, konkurenceschopných ultrazvukových měřičů toků a získává si pověst pro dokonalost . Jsme vedoucím průmyslu v oblasti inovací a ekologických produktů, které se snaží zvýšit průmyslové standardy .}}}}}}
As our product line continues to evolve, we remain committed to enhancing functionality and pushing the boundaries of quality and performance. Throughout the process of designing new products, we actively seek input from our valued customers, recognizing their invaluable contributions in shaping our success. It is through this collaborative approach that we have carved out a distinctive position in an industry that demands a seamless fusion of safety and výkon .
Displej společnosti pro životní prostředí:



Zobrazení certifikátu:



Doručit, dodávat a podávat
Přímá podpora:

Reakce Qucik:

Rychlé dodání:

Přeprava
Gentos, který vychovával bezproblémové zkušenosti se zákazníky, implementoval urychlený doručovací systém a zajistil rychlé získávání produktu . bez námahy, Gentos urychluje zpracování objednávek a rychlé odeslání produktu v rámci efektivního okna 1 až 3 dnů {.
FAQ
Q: Jste obchodní společnost nebo továrna?
Odpověď: Zaměřujeme se na ultrazvukové průtokové komety po dobu 32 let a jsme známý výrobce integrující výzkum a vývoj a továrnu .
Q: Jaké jsou výhody měřičů ultrazvukových průtoků?
Odpověď: Nabízejí neinvazivní měření, vysokou přesnost, odolnost vůči variacím vlastností tekutin, vhodnost pro různé tekutiny a nízké požadavky na údržbu .
Q: Jak nainstalujete průtokový měřič?
Odpověď: Postupujte podle pokynů instalace výrobce nebo si prohlédněte naše instalační video na YouTube .
Q: Jak si vybrat ten správný model toku pro vás?
Odpověď: Kontaktujte náš technický prodej s materiálem a průměrem potrubí a doporučíme nejvhodnější model .
Q: Může tento vodoměrový vodní využití vody?
Odpověď: Ano, je navržen tak, aby monitoroval a sledoval využití vody, detekoval úniky v reálném čase a pomáhal efektivně spravovat rozpočty na vodu .
Populární Tagy: Ultrazvukový měřič BTU pro údržbu hotelu, měřič ultrazvuku v Číně pro výrobce údržby hotelů, dodavatele, továrna
Parametr produktu
1)Technické parametry
|
Index výkonu |
|
|
Rozsah toku |
0,03 ~ 16 ft/s (0,01 ~ 5,0 m/s) |
|
Přesnost |
Přesnost toku: ± 1% (standardní stav 0,5 ~ 5 m/s) Přesnost energie: ± 2% |
|
Tekutina |
Voda (chlazená voda, čistá voda, čistá voda, mořská voda, horká voda atd. .) |
|
Velikost potrubí |
Upínací typ: 25 mm až 1 200 mm (1 "až 48") |
|
Trubkový materiál |
Nerezová ocel, uhlíková ocel, měď, PVC |
|
Funkční index |
|
|
Komunikační rozhraní |
RS485 Modbus |
|
Výstup |
Analogový výstup: 4 ~ 20 mA, (maximální zátěž 750Ω) Pulse Output: 0 ~ 9999 Hz, OCT (min . a max . Frekvence je nastavitelná) Výstup relé: max . Frekvence 1Hz (1A@125VAC nebo 2A@30VDC) |
|
Vstupní rozhraní |
2*Pt1 0 00 rozhraní, třívodičový systém; 0 ~ 100 stupňů (32-212 ℉) |
|
Napájení |
10 ~ 36VDC/1A . |
|
Klávesnice |
16 (4 × 4) Key s taktilní akcí . |
|
Obrazovka displeje |
20 × 2 Lattice Alfanumeric, Back Lit Lcd . |
|
Vlhkost |
Až 99% RH, nekondenzing . |
|
Teplota |
Vysílač: 14 stupňů f až 122 stupňů F (–10 stupňů ~ 50 stupňů) Převodník: 32 stupňů f až 176 stupňů F (0 stupeň ~ 80 stupňů) |
|
IP hodnocení |
IP65 |
|
Fyzické vlastnosti |
|
|
Vysílač |
PC/ABS, IP65 |
|
Převodník |
Enkapsulovaný design, IP68 |
|
Kabel |
Standardní délka kabelu: 30 stop (9m) Maximální prodloužení na 1000 stop (305 m) |
|
Hmotnost |
Vysílač: přibližně 0,6 kg Převodník: přibližně 0,8 kg |


